おかげさまで開設25周年FLATSHOUSE.COM 創業祭

FLATSHOUSE.COM

詳しくはこちら
マイストア マイストア 変更
  • 即日配送
  • 広告
  • 取置可能
  • 店頭受取

HOT ! パーツ RX50 69594962_o1.jpg?20140115174554

※FLATSHOUSE.COM 限定モデル
YouTuberの皆様に商品の使い心地などをご紹介いただいております!
紹介動画はこちら

ネット販売
価格(税込)

16704

  • コメリカード番号登録、コメリカードでお支払いで
    コメリポイント : 8ポイント獲得

コメリポイントについて

購入個数を減らす
購入個数を増やす

お店で受け取る お店で受け取る
(送料無料)

受け取り店舗:

お店を選ぶ

近くの店舗を確認する

納期目安:

13時までに注文→17時までにご用意

17時までに注文→翌朝までにご用意

受け取り方法・送料について

カートに入れる

配送する 配送する

納期目安:

2025.10.31 13:49頃のお届け予定です。

決済方法が、クレジット、代金引換の場合に限ります。その他の決済方法の場合はこちらをご確認ください。

※土・日・祝日の注文の場合や在庫状況によって、商品のお届けにお時間をいただく場合がございます。

即日出荷条件について

受け取り方法・送料について

カートに入れる

欲しいものリストに追加

欲しいものリストに追加されました

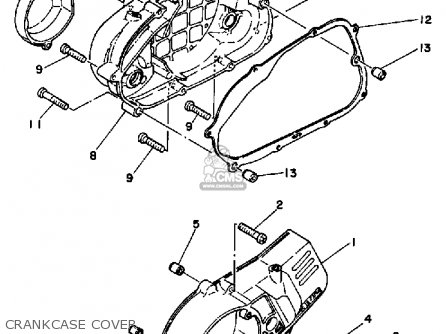
パーツ RX50 69594962_o1.jpg?20140115174554の詳細情報

69594962_o1.jpg?20140115174554。中古バイクパーツ販売専門店アイラブモーターHONDA/ホンダ。Yamaha RX50 50SPECIAL 1984 (E) USA パーツリストと回路図。RX50外装セット画像の物が全てになります。ヤマハ用 カーボンカウル SRX600 XJR1200/1300 YAMAHA。Yamaha RX50 50SPECIAL 1984 (E) USA パーツリストと回路図。タンク内の錆は注入口からに見えません画像⑩タンク裏は、錆あります。
  • 69594962_o1.jpg?20140115174554
  • 中古バイクパーツ販売専門店アイラブモーターHONDA/ホンダ
  • Yamaha RX50 50SPECIAL 1984 (E) USA パーツリストと回路図
  • Yamaha RX50 50SPECIAL 1984 (E) USA パーツリストと回路図

同じカテゴリの 商品を探す

ベストセラーランキングです

このカテゴリをもっと見る

この商品を見た人はこんな商品も見ています

近くの売り場の商品

このカテゴリをもっと見る

カスタマーレビュー

オススメ度  4.8点

現在、2878件のレビューが投稿されています。